QR kód
Produkty
Kontaktuj nás


Fax
+86-574-87168065

E-mail

Adresa
Priemyselná oblasť Luotuo, okres Zhenhai, mesto Ningbo, Čína
Výkonový "reléový závod": Prevodovka miešača krmiva je ako "kapitán relé" na prenos výkonu. Po naštartovaní motora sa výkon najskôr prenesie na vstupný hriadeľ prevodovky a potom sa „zmena rýchlosti“ dosiahne záberom skupiny ozubených kolies rôznych veľkostí v skrini. Napríklad, ak sa vstupný hriadeľ otáča 1000-krát za minútu, výstupný hriadeľ sa môže po prevode skupiny prevodov otočiť iba 100-krát, ale krútiaci moment sa výrazne zvýši. Táto silná sila sa potom prenáša na miešací hriadeľ, čo umožňuje miešacím lopatkám rýchlo premiešať krmivo a ľahko si poradiť s „tvrdým tovarom“, ako je krmivo s vysokým obsahom vlákniny.
Presný záber, znížená strata: Prevodové stupne v prevodovke nie sú zoradené náhodne. Ozubené kolesá vyrábané spoločnosťou Raydafon majú tvar zubov, ktorý bol presne vypočítaný a spracovaný a pri zábere pevne zapadajú ako dva kusy skladačky, ktoré do seba dokonale zapadajú. Týmto spôsobom dochádza k veľmi malému treniu pri prenose energie, k menšej strate energie a väčšina energie sa môže použiť na miešanie. Je to ako inštalácia "energeticky úsporného jadra" na miešačku krmiva, vďaka čomu je práca energickejšia bez plytvania energiou.
Flexibilné nastavenie podľa potrieb: Rôzne krmivá a rôzne množstvá miešania vyžadujú rôzne rýchlosti. Krása prevodovky miešača krmiva spočíva v tom, že sa dá flexibilne nastaviť. Zmenou kombinácie prevodových stupňov možno dosiahnuť rôzne rýchlostné pomery, aby sa splnili rôzne potreby. Ak chcete siláž a koncentrát rýchlo premiešať, zvýšte rýchlosť; ak chcete narábať s krehkými surovinami, znížte otáčky a miešajte pomaly, všetko zvládne prevodovka.
Stabilná podpora a odolnosť: Telo prevodovky je ekvivalentom „strážcu“ celého prevodového systému. Vysoko pevný liatinový materiál, pevný a odolný voči nárazom, môže stabilne podporovať vnútorné prevody a ložiská. Vnútorné ložiská sú špeciálne mazané pre hladké otáčanie a zníženie opotrebenia. Aj keď sa pri miešaní krmiva generujú vibrácie, prevodovka môže zabezpečiť stabilný záber ozubených kolies, nepretržite poskytovať stabilný výkon a predĺžiť celkovú životnosť.
Výrobný proces produktu Raydafon bol prísne testovaný a po skutočnej inštalácii môže byť plne funkčný. Výber našich produktov znamená, že ste si vybrali pokoj.
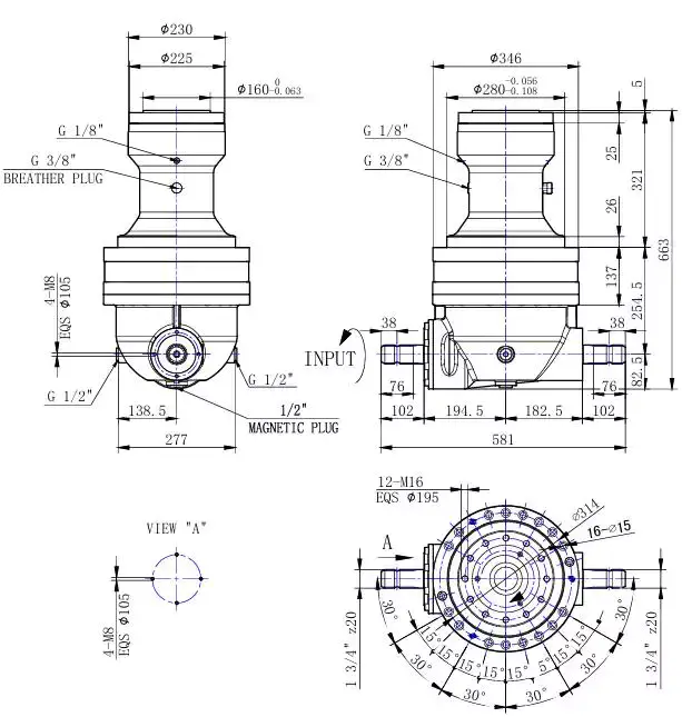
| Pomer | Vstup otáčky za minútu |
Vstupný výkon | Výstup | Model | Komentáre | |
| Kw | HP | Nm | ||||
| 16,1:1 | 540 | 44.7 | 60 | 11600 | G1-0314 |
|
| 19,4:1 | 540 | 26.1 | 35 | 8600 | G1-0514 |
|
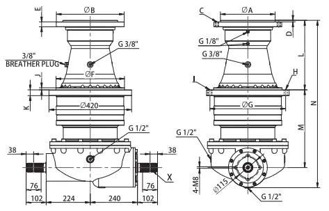
| číslo | A | B | C | D | E | F | G | H | 1 | J | K | L | M | N | ||||||||||||||||||
| 1 | ⌀200 h7 | ⌀278 | 12-M16 EQS⌀245 | 15 | 25 | ⌀280 f7 | ⌀380 | 12-M16 |
|
26 | 30 | 353 | 300 | 785 | ||||||||||||||||||
| 2 | ⌀200 h7 | ⌀278 | 12-M16 EQS⌀245 | 15 | 25 | ⌀280 f7 | ⌀380 | 12-M16 |
|
26 | 30 | 353 | 402.5 | 857.5 | ||||||||||||||||||
| 3 | ⌀278 h8 | ⌀345 | 15-M16 EQS⌀314 | 8 | 25 | ⌀348 h8 | ⌀385 | 12-⌀17 | 2-M18 | 10.5 | 29 | 351 | 321.5 | 774.5 | ||||||||||||||||||
| 4 | ⌀278 h8 | ⌀345 | 15-M16 EQS⌀314 | 8 | 25 | ⌀348 h8 | ⌀385 | 12-⌀17 | 2-M18 | 10.5 | 29 | 351 | 394 | 847 | ||||||||||||||||||
| 5 | ⌀154,8 h8 | ⌀250 | 12-M20*1,5 EQS⌀205 | 12 | 39 | ⌀348 h8 | ⌀385 | 12-⌀17 | 2-M18 | 10.5 | 29 | 354.5 | 321.5 | 778 | ||||||||||||||||||
| Pomer | lnput otáčky za minútu |
Vstupný výkon | Výstup Nm |
Vstupný hriadeľ | Komentáre | |||||||||||||||||||||||||||
| kW | HP | |||||||||||||||||||||||||||||||
| 13,4:1 | 540 | 85.8 | 115 | 17984 | X |
|
||||||||||||||||||||||||||
| 14,6:1 | 540 | 70.8 | 95 | 16187 | X |
|
||||||||||||||||||||||||||
| 16,1:1 | 540 | 63.4 | 85 | 15971 | X |
|
||||||||||||||||||||||||||
| 18,2:1 | 540 | 44.7 | 60 | 12744 | X |
|
||||||||||||||||||||||||||
| 21,1:1 | 540 | 37.3 | 50 | 12312 | X |
|
||||||||||||||||||||||||||
| 25,9:1 | 1000 | 82 | 110 | 17954 | X |
|
||||||||||||||||||||||||||
| 28,3:1 | 1000 | 67.1 | 90 | 16051 | X |
|
||||||||||||||||||||||||||
Oceľové „telo“ je super odolné: Táto prevodovka je vyrobená zo zahustenej vysokopevnostnej liatiny a celá skriňa je pevná ako plášť nádrže. Či už ide o vlhké prostredie pri miešaní siláže alebo prudké vibrácie spôsobené manipuláciou s peletizovaným krmivom, stabilne to vydrží. Vnútorné ozubené kolesá sú nauhličené a kalené a tvrdosť povrchu zubov je až HRC58. Odolnosť proti opotrebeniu je 3-krát väčšia ako u bežných prevodov. Používa sa nepretržite päť alebo šesť rokov v prašných a zaťažených farmách a výkon je stále "online" a počet opráv je veľmi malý.
Prenos sily „nulový odpad“: Dizajn je plný dôvtipu! Presnosť záberu ozubených kolies dosahuje úroveň vlasov a účinnosť prenosu sily presahuje 95%. Iným prevodovkám môže počas mixovania „utekať“ veľa výkonu, ale naša prevodovka Feed Mixer pre TMR Mixer EP RMG dokáže využiť všetku silu motora na čepeli. Pri rovnakom namiešaní 5 ton krmiva môže byť použitie našej prevodovky o 15 minút rýchlejšie a ušetriť 20 % účtov za elektrinu, čo farmárom ušetrí skutočné peniaze.
„Univerzálna prispôsobivosť“ je super bez starostí: Či už ide o jednoduchý mixér na malej farme alebo obrovské zariadenie vo veľkej továrni na krmivo, túto prevodovku možno bez problémov pripojiť. Pomer otáčok je možné voľne nastaviť od 2:1 do 15:1 a objemové krmivo, koncentrované krmivo a zmiešané krmivo je možné miešať podľa potreby. Inštalácia je tiež jednoduchá a nie je potrebné robiť veľké zmeny na zariadení. Bežní pracovníci to podľa návodu zvládnu za pol hodinu, čo je vhodné najmä pre farmárov, ktorí sa ponáhľajú. „Inteligentná ochrana“ je mimoriadne ohľaduplná: Prevodovka má zabudované zariadenie na ochranu proti preťaženiu. Akonáhle je zaťaženie miešania príliš veľké, automaticky sa „zastaví“, aby sa predišlo poškodeniu ozubených kolies, čo nielen chráni stroj, ale aj predchádza bezpečnostným nehodám. Navyše konštrukčné riešenie je rozumné. Otvorením krabice môžete vymeniť ložisko alebo opraviť ozubené koleso. Nie je to také problematické ako demontáž „ruskej bábiky“. Prestoje a čas údržby sa výrazne skrátia, čím sa zabezpečí, že sa výroba na farme nezastaví.
Ako zahraničný zákazník sa chcem naozaj poďakovať Raydafonu! Vaša prevodovka miešačky krmiva sa veľmi jednoducho používa. Od inštalácie beží zariadenie veľmi hladko a efektívnosť práce je oveľa vyššia ako predtým. Prevodovka je vyrobená z pevných a odolných materiálov, ľahko sa inštaluje a udržiava. Vyriešil staré problémy, ktoré sme mali na našom predchádzajúcom zariadení. Pochváliť musím najmä popredajný servis. Pri používaní sme sa stretli s malými otázkami a rýchlo ste na to prišli. Je veľmi spoľahlivý. Táto spolupráca je naozaj dobrá. Vaše produkty som odporučil svojim kolegom a teším sa na ďalšiu spoluprácu v budúcnosti! -----James Carter
Ahoj, som David Johnson, zákazník Raydafonu. Už som si kúpil vaše prevodovky na miešanie krmiva a naozaj sa skvele používajú! Po inštalácii tejto prevodovky beží naša kŕmna miešačka oveľa hladšie ako predtým a zlepšila sa aj účinnosť. Kedysi som sa obával zaseknutia zariadenia, ale teraz sa o to nemusím vôbec starať. Čo sa mi najviac oplatí, je to, že je veľmi odolný, materiál je pevný a nie je problém ho každodenne udržiavať. Stačí dotiahnuť niekoľko skrutiek a skontrolovať hladinu oleja, na rozdiel od predchádzajúceho vybavenia, ktoré je potrebné každých pár dní vyhodiť. Keď som tu naposledy mal nejaké malé otázky, poslal som e-mail vášmu popredajnému servisu a v ten istý deň som dostal odpoveď. Inžinier tiež nakreslil schematický diagram, aby ma naučil, ako ho nastaviť. Táto služba je skvelá! Aby som bol úprimný, často sa o vašich produktoch rozprávam s kolegami, keď spolu večeriam. Dobré veci by malo poznať viac ľudí. Dúfam, že s vami budem aj naďalej spolupracovať aj v budúcnosti a želám si, aby sa vaše podnikanie stalo čoraz obľúbenejším!
Volám sa Michael Brown. Trochu som váhal, keď som si prvýkrát kúpil vaše Feed Mixer Gearboxes, napokon, predtým ma oklamali iné produkty, ale po takmer polročnom používaní mu naozaj dávam palec hore! Hlučnosť tejto prevodovky je oveľa menšia ako predtým. Predtým to bolo ako hrom, keď bol zapnutý, ale teraz nemusím kričať, keď hovorím v dielni. Najprekvapujúcejšia vec je účinnosť. Kedysi trvalo namiešať dávku krmiva 40 minút, no teraz sa to dá zvládnuť za 25 minút, navyše sa rýchlosť zvýšila aj na pásovom dopravníku. Minulý týždeň dvakrát zablikala kontrolka prevodovky. Zaujímalo ma, či sa vyskytol problém, a tak som zavolal váš popredajný servis. Dievča, ktoré odpovedalo na telefón, bolo veľmi trpezlivé. Nechala ma urobiť pár fotiek a naviedla ma, aby som na mieste očistil prach zo snímača. Trvalo to nie viac ako 10 minút. Prevodovka je vyrobená z pevných materiálov. Vonkajší plášť pôsobí ťažko. Minule ho omylom odieral vysokozdvižný vozík a zanechal po sebe malú stopu, no časti vo vnútri to nezasiahlo. Stále som hovoril o vašich produktoch, keď som popíjal s farmárom vedľa. Budúci mesiac si tiež plánuje jeden objednať! Teším sa, že v budúcnosti vyskúšam vaše nové doplnky a prajem vám, aby ste boli stále silnejší!
Adresa
Priemyselná oblasť Luotuo, okres Zhenhai, mesto Ningbo, Čína
Tel


+86-574-87168065


Priemyselná oblasť Luotuo, okres Zhenhai, mesto Ningbo, Čína
Copyright © Raydafon Technology Group Co., Limited Všetky práva vyhradené.
Links | Sitemap | RSS | XML | Zásady ochrany osobných údajov |
