Produkty
Prevodovka sejačky na hnojivo EP35 pre vysielač hnojív
  • Prevodovka sejačky na hnojivo EP35 pre vysielač hnojívPrevodovka sejačky na hnojivo EP35 pre vysielač hnojív
  • Prevodovka sejačky na hnojivo EP35 pre vysielač hnojívPrevodovka sejačky na hnojivo EP35 pre vysielač hnojív

Prevodovka sejačky na hnojivo EP35 pre vysielač hnojív

Ako profesionálny výrobca a dodávateľ v Číne vlastná továreň Raydafon dômyselne vytvorila prevodovku sejačky hnojív EP35 pre rozmetadlo hnojív, ktorá je ušitá na mieru pre rozmetadlá hnojív! Produkt je vhodný pre bežné modely rozmetadiel hnojív a pomer otáčok je presne prispôsobený rade EP35. Box je vyrobený z vysoko pevnej tlakovo liatej hliníkovej zliatiny, ktorá je ľahká, ale má silnú odolnosť proti nárazu a vydrží 8 hodín nepretržitej vysokointenzívnej prevádzky. Ozubené kolesá sú nitridované, s povrchovou tvrdosťou HV700 a 50% zvýšením odolnosti proti opotrebeniu. Od výskumu a vývoja a výroby až po kontrolu kvality a prepravu, kontrolujeme celý proces a poskytujeme vám efektívne a odolné riešenia prenosu rozmetadla hnojív za veľmi konkurencieschopnú cenu!

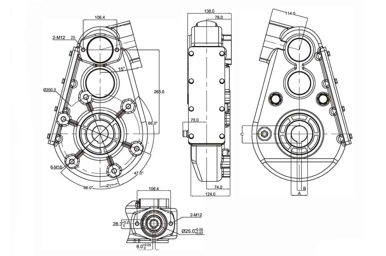
Rozmery produktu

Fertilizer Seeder Gearbox Ep35 For Fertilizer Broadcaster

Technické údaje produktu

i Vhodné Vstup otáčok Výstup otáčok Výstupný krútiaci moment Hmotnosť Ozubenie
ot./min ot./min N.m kg
Spomaliť 24,3:1 Vysielač hnojív atď 1000 41 3500 47 Gleason Helical
Zuby
Poznámka: Ak máte nejaké špeciálne požiadavky, neváhajte a dajte mi vedieť, akceptujeme aj zvyk.


A B C
F45 14 48.8
Φ50 14 53.8
Φ60 18 64.4

Výhody produktu

Konštrukcia presnej prevodovky prevodovky sejačky hnojív umožňuje, aby sa časti rozmetadla hnojiva otáčali stabilnou rýchlosťou s minimálnou chybou. Či už ide o granulované viaczložkové hnojivo alebo práškové organické hnojivo, na poli sa dá rovnomerne rozsypať. V minulosti sa ľudia pri aplikácii hnojív vždy obávali, že na niektorých miestach bude hnojív viac a na niektorých menej. Teraz s našou prevodovkou je hnojivo rovnomerne rozdelené a možno ušetriť 10 až 15 % hnojiva na aker, čo sú skutočné peniaze.

Plášť prevodovky je vyrobený z vysokopevnostného zliatinového materiálu a vnútorné ozubené kolesá sú špeciálne tvrdené a majú super odolnosť proti opotrebovaniu. Počas procesu hnojenia nebude mať trenie častíc hnojiva a vibrácie poľa naň veľký vplyv. Bežné prevodovky možno bude potrebné opraviť po jednom alebo dvoch štvrťrokoch, ale prevodovku sejačky hnojív od Raydafonu možno bez problémov používať tri až päť rokov, čím sa výrazne znížia náklady na údržbu a výmenu.


Či už ide o malé tlačné rozmetadlo hnojiva alebo veľké trakčné rozmetadlo hnojív, túto prevodovku je možné ľahko prispôsobiť. Pomer otáčok je možné upraviť podľa rôznych potrieb hnojenia. Pri výseve rôznych plodín, ako je pšenica a kukurica, dokáže rýchlo prepnúť na vhodnú rýchlosť vypúšťania hnojiva. Navyše sa jednoducho inštaluje a nevyžaduje veľké úpravy rozmetadla hnojív. Bežní farmári to zvládnu sami, čo je veľmi pohodlné.


Prevodovka sejačky na hnojivo EP35 pre vysielač hnojív má extrémne vysokú účinnosť prenosu výkonu, čo umožňuje rozmetaču hnojiva rýchlo dosiahnuť pracovný stav a znížiť straty energie. V minulosti sa dalo za deň zúrodniť len 20 akrov pôdy. Teraz s touto prevodovkou môžete každý deň urobiť o 5-8 akrov viac. Využitím dobrého počasia možno operácie hnojenia dokončiť rýchlejšie bez oneskorenia času na pestovanie. Prevodovka má zároveň nízku hlučnosť počas prevádzky a nebude rušiť okolité prostredie, vďaka čomu sú operácie hnojenia pohodlnejšie.

Fertilizer Seeder Gearbox Ep35 For Fertilizer Broadcaster


Ohlasy zákazníkov

Vaša prevodovka sejačky hnojív EP35 je naozaj skvelá! Po inštalácii sejačka beží veľmi hladko. V minulosti sa stroj pri aplikácii hnojiva často pokazil, no teraz sa toho netreba vôbec báť a efektivita sejby sa výrazne zlepšila. Táto prevodovka je veľmi dobrej kvality a plášť je veľmi pevný. Vyzerá veľmi odolne. Je tiež veľmi pohodlný na údržbu. Obsluhovať ho môžete sami podľa návodu, čo ušetrí veľa času a peňazí. Pri poslednom použití som narazil na malý problém. Kontaktoval som váš popredajný servis a pomohli mi to rýchlo vyriešiť. Služba bola veľmi profesionálna. Vaše produkty som odporučil aj ďalším farmárom a tiež ich veľmi zaujali. Teším sa na ďalšiu spoluprácu s Vami a prajem Vašej spoločnosti stále lepší a lepší rozvoj! ------ Mark Johnson


Ahoj, som Alex Parker a som zákazníkom Raydafonu. Keď som si kúpil vašu prevodovku sejačky hnojív, urobil som správnu voľbu! Stará prevodovka bola poriadna bolesť vždy, keď som išiel na pole, či už preto, že sa hnojivo zaseklo, alebo ozubené kolesá vydávali prenikavý zvuk. Teraz, keď som ho nainštaloval, sejačka beží veľmi hladko, hnojivo sa rozmetá rovnomerne a rýchlo a dokonca aj rýchlosť na prístrojovej doske je stabilná ako hodinky. Minule som sa náhodou počas prevádzky dotkol bezpečnostného spínača a stroj sa zrazu zastavil. Zavolal som do vášho popredajného servisu a technik ma naučil, ako ho resetovať priamo cez FaceTime. Oprava trvala menej ako 15 minút, čo je rýchlejšie ako v obchode s poľnohospodárskymi strojmi blízko môjho domu. Teraz sú všetky tri sejacie stroje na mojej farme nahradené vašou prevodovkou!


Som Mia Cooper z Austrálie. Odkedy som uzavrel zmluvu s touto farmou, niekoľkokrát som zmenil výsevné a hnojiace zariadenie a prevodovka sejačky hnojiva Raydafon je úplne bezstarostná! V minulosti, keď sa stroj stretol s množstvom výmoľov alebo tvrdej pôdy, ozubené kolesá sa šmýkali ako záchvat hnevu a hnojivo bolo rozložené nerovnomerne, takže som ho musel rozhadzovať ručne. Vaša prevodovka je taká výkonná, výkon je stabilný a dostatočný. Minule dva dni po sebe pršalo, pokazili sa aj iné stroje, no sejačka mi stále bežala dopredu a hnojivo bolo rozmetané rovnomerne, ako keby sa meralo pravítkom. Po takmer ročnom používaní nie je povolená ani skrutka prevodovky. Tohtoročná úroda pšenice na mu vzrástla o 20% oproti minulému roku! V budúcnosti, kedykoľvek budem potrebovať diely pre poľnohospodárske stroje, budem myslieť najskôr na vás!





Hot Tags: Prevodovka sejačky na hnojivo EP35 pre vysielač hnojív
Odoslať dopyt
Kontaktné informácie
V prípade otázok o hydraulických valcoch, prevodovkách, vývodových hriadeľoch alebo cenníku nám zanechajte svoj e-mail a my sa vám ozveme do 24 hodín.
X
Súbory cookie používame, aby sme vám poskytli lepší zážitok z prehliadania, analyzovali návštevnosť stránok a prispôsobili obsah. Používaním tejto stránky súhlasíte s naším používaním cookies. Zásady ochrany osobných údajov
Odmietnuť Prijať