QR kód
Produkty
Kontaktuj nás


Fax
+86-574-87168065

E-mail

Adresa
Priemyselná oblasť Luotuo, okres Zhenhai, mesto Ningbo, Čína
Ak máte čo do činenia so strojmi, ako sú čerpadlá, ktoré pohybujú tekutiny celý deň, ventilátory, ktoré udržiavajú priestory vetrané, alebo textilné zariadenia, ktoré bežia nepretržite – potrebujete spojku, ktorá je dostatočne flexibilná, aby zvládla malé odchýlky, ale dostatočne pevná na to, aby udržala stabilný krútiaci moment. Presne na to je skonštruovaná nylonová ohybná spojka NL typu NL od spoločnosti Raydafon. Zvláda až 4 mm axiálneho vychýlenia a 2 stupne uhlového vychýlenia, takže aj keď vaše hriadele nie sú dokonale vyrovnané, udrží váš prevod v chode bez problémov.
Máme modely od NL1 až po NL10, takže sú vhodné pre takmer každú ľahkú až stredne náročnú prácu. Kapacity krútiaceho momentu sa pohybujú od 40 N·m do 3150 N·m a priemery otvorov od 6 mm do 100 mm – nie je potrebné hľadať veľkosť, ktorá je príliš veľká alebo príliš malá. To, čo robí túto pružnú spojku s nylonovou prevodovkou vynikajúcou, je jej konštrukcia: vysokopevnostné nylonové puzdro spárované s oceľovými nábojmi. Táto kombinácia znamená, že beží ticho a pri údržbe sa ho sotva musíte dotknúť – žiadne neustále kontroly alebo opravy, ktoré by vás spomaľovali. Ide o riešenie pre flexibilné ozubené spojky pre priemyselné stroje a ak špecificky pracujete s čerpadlami, je to jedna z najspoľahlivejších nylonových spojok pre čerpadlá. Navyše, jeho kompaktný dizajn sa hodí do úzkych nastavení a funguje hladko medzi -20 °C a +70 °C – bez ohľadu na to, či je na vašom pracovisku chladno alebo teplo.
V spoločnosti Raydafon vyrábame tieto spojky v Číne a prísne dodržiavame normy ISO 9001 – každý diel sa kontroluje, aby sme sa uistili, že je odolný a pripravený vydržať. Nylonové puzdro je nielen pevné, ale aj nevodivé a odolné voči korózii. To je zmena hry pre vlhké priestory alebo oblasti s chemikáliami, kde by iné spojky mohli hrdzavieť alebo skratovať – toto trvá dlhšie. A vďaka jednoduchej konštrukcii je montáž a demontáž hračkou: žiadne zložité nástroje, len rýchla práca, keď ho potrebujete vymeniť alebo vykonať údržbu. To je dôvod, prečo je to najlepší výber pre prispôsobené nylonové ozubené spojky – môžeme ich vyladiť tak, aby vyhovovali vášmu špecifickému nastaveniu – a je to jedna z najodolnejších flexibilných ozubených spojok pre textilné zariadenia, ktoré odolajú neustálemu pohybu tkáčskych alebo spriadacích strojov.
Ponúkame všetky druhy veľkostí a konfigurácií hriadeľov, takže získate spojku, ktorá je prispôsobená vášmu stroju – nie univerzálna možnosť. A udržiavame konkurencieschopnú cenu, takže nemusíte míňať peniaze za kvalitu. Pre podniky na celom svete to znamená menej prestojov (keďže sa ľahko inštaluje a udržiava) a lepšiu efektivitu zariadení – presne to, čo potrebujete, aby prevádzka fungovala hladko.
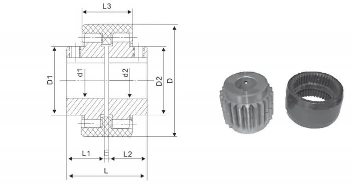
Hlavná pracovná logika nylonovej pružnej spojky s ozubeným kolesom typu NL sa spolieha na zaberajúce zuby ozubeného kolesa, aby sa dosiahol prenos krútiaceho momentu, zatiaľ čo nylonová objímka vo vnútri ako kľúčový flexibilný komponent dokáže nielen efektívne kompenzovať nesúososť hriadeľového systému, ale tiež zohráva dôležitú úlohu pri tlmení nárazov. V tomto konštrukčnom prevedení sú dva náboje s vonkajšími zubami spojené cez vstavanú nylonovú objímku vnútorného prevodu. Táto kombinácia zaisťuje nielen efektívny prenos sily v mechanických systémoch, ale tiež výrazne znižuje vibrácie a nárazy vznikajúce počas prevádzky. Táto konštrukčná výhoda je zrejmá najmä v prípadoch použitia nylonových ozubených pružných spojok typu NL, ktoré je potrebné prispôsobiť malým a stredne veľkým zariadeniam.
Keď hnací hriadeľ prenáša krútiaci moment na jeden z nábojov, vonkajšie zuby na náboji budú presne zapadať s vnútornými zubami nylonovej vnútornej objímky prevodu a potom bude nylonová objímka vnútorného prevodu plynulo prenášať výkon na druhý náboj pripojený k hnanému hriadeľu. Dokonca aj v pracovných podmienkach, kde existuje uhlová, paralelná alebo axiálna nesúososť v systéme hriadeľa, tento mechanizmus záberového prenosu môže stále zabezpečiť stabilnú prevádzku zariadenia. Preto v oblastiach, ktoré vyžadujú spoľahlivé riešenia flexibilných ozubených spojok, ako sú napríklad prevodové systémy automatizovaných výrobných liniek, napájanie čerpacích zariadení a hnacie zariadenia dopravníkov, je preferovaným produktom nylonová ozubená spojka typu NL.
Nylonový materiál použitý v samotnej nylonovej ozubenej pružnej spojke typu NL má vynikajúce elastické a tlmiace vlastnosti, ktoré dokážu nielen znížiť opotrebenie mechanického zariadenia, ktoré je k nej pripojené, ale aj predĺžiť životnosť celého prevodového systému. Ako profesionálny výrobca ozubených spojok Raydafon vyberá pokročilé materiály a optimalizuje výrobný proces pri výrobe spojok typu NL, čo umožňuje, aby si produkty zachovali vynikajúci výkon v zložitých pracovných podmienkach v rôznych priemyselných odvetviach. Napríklad v scenároch s premenlivým zaťažením sa nylonová pružná spojka s ozubeným kolesom typu NL vyrábaná spoločnosťou Raydafon môže spoľahnúť na svoju vynikajúcu schopnosť kompenzácie nesúosovosti, aby sa predišlo poruchám prevodovky spôsobeným nesúososťou hriadeľového systému a znížili sa prestoje zariadenia.
Aby si nylonová pružná spojka ozubeného kolesa typu NL udržala stabilnú pracovnú účinnosť, je nevyhnutná každodenná údržba, medzi ktorú patrí pravidelné mazanie častí zubov ozubených kolies. Rozumné mazanie môže znížiť straty trením počas záberu zubov ozubených kolies, ďalej zlepšiť prevádzkovú stabilitu spojky a znížiť pravdepodobnosť porúch. Vo všeobecnosti je pracovným princípom nylonovej pružnej spojky typu NL dosiahnutie silného prenosu krútiaceho momentu pri zohľadnení flexibility a stability prevodového systému prostredníctvom synergického účinku tuhého náboja a pružného nylonového puzdra. Ako skúsený dodávateľ ozubených spojok Raydafon vždy kontroluje presnosť a spoľahlivosť produktov podľa prísnych noriem, aby zabezpečil zákazníkom v rôznych odvetviach flexibilné spojky z nylonu typu NL so silnou prispôsobivosťou a vysokou odolnosťou.
Nylonová flexibilná prevodovka typu NL je špeciálne navrhnutá pre vysokovýkonné aplikácie v náročných mechanických scenároch. Zaisťuje stabilný prenos sily a zároveň flexibilne vyrovnáva nesúosovosť hriadeľa, čo z neho robí vysoko konkurencieschopnú možnosť v kategórii nylonových objímkových ozubených spojok. Kľúčovým dizajnovým vrcholom tejto spojky je jej vysokopevnostné nylonové puzdro, ktoré spojke dáva nielen vynikajúcu schopnosť elastickej deformácie, ale tiež výrazne zvyšuje odolnosť celkovej konštrukcie. Vďaka tomu je obzvlášť vhodný ako kritická flexibilná nylonová objímková spojka v priemyselných zariadeniach, ktoré pracujú dlhší čas.
Pokiaľ ide o kapacitu prenosu krútiaceho momentu, NL Type Nylon Gear Flexible Coupling poskytuje vynikajúci výkon a ľahko zvláda požiadavky na zaťaženie vysokým krútiacim momentom. Či už v ťažkých obrábacích strojoch, banských strojoch alebo vo veľkých dopravných zariadeniach – z ktorých všetky vyžadujú vysokú spoľahlivosť pri prenose sily – funguje stabilne a etabluje sa ako preferovaný model nylonovej ozubenej spojky s vysokým krútiacim momentom pre mnohé pracovné podmienky s vysokým krútiacim momentom. Pri riešení bežného problému nesúosovosti hriadeľa počas mechanickej prevádzky táto flexibilná nylonová ozubená spojka tiež demonštruje vynikajúcu prispôsobivosť. Dokáže efektívne absorbovať a kompenzovať uhlové nesúososti, paralelné nesúososti a axiálne nesúososti, čím výrazne znižuje dodatočné namáhanie spojených hriadeľov a pomáha predĺžiť životnosť celého prevodového systému. Táto vlastnosť je kľúčová najmä pre výrobné zariadenia, ktoré vyžadujú dlhodobú nepretržitú prevádzku.
Okrem toho, nylonový materiál NL Type Nylon Gear Flexible Coupling má vo svojej podstate vynikajúce tlmiace a tlmiace vlastnosti. Počas prevádzky zariadenia môže účinne znížiť vplyv vibrácií a otrasov, čím sa zabezpečí hladšia prevádzka prevodového systému. V dôsledku toho sa v dynamických pracovných podmienkach s častými vibráciami stala pre mnohé podniky preferovaným riešením nylonovej ozubenej spojky absorbujúcej nárazy. Pokiaľ ide o odolnosť proti korózii, okrem vynikajúcej odolnosti nylonovej manžety voči chemickej korózii, kovové komponenty tejto spojky prechádzajú špeciálnou úpravou, ktorá umožňuje stabilnú prevádzku vo vlhkom, prašnom alebo mierne korozívnom prostredí. V porovnaní s tradičnými pevnými spojkami vykazuje silnejšiu prispôsobivosť v náročných pracovných podmienkach, pričom plne spĺňa požiadavky priemyselného sektora na odolné nylonové ozubené spojky.
Z hľadiska prevádzky a údržby má NL typ Nylon Gear Flexible Coupling bezúdržbový dizajn. Odstraňuje potrebu častého pridávania alebo nastavovania maziva, čo nielen znižuje pracovné zaťaženie každodennej údržby, ale tiež znižuje riziko porúch zariadení spôsobených nesprávnou údržbou. Tým sa efektívne kontrolujú prevádzkové náklady a prestoje, pričom sa dokonale zhodujú s výberovými kritériami odvetví, ktoré sledujú efektívnu a nízkospotrebnú výrobu flexibilných ozubených spojok s nízkou údržbou. Jeho celková konštrukcia je ľahká a kompaktná, čo umožňuje jednoduchú a rýchlu inštaláciu a demontáž. Dokonca aj v usporiadaniach zariadení s obmedzeným priestorom je možné ľahko dokončiť montáž tejto kompaktnej nylonovej ozubenej spojky, čím sa ďalej zvyšuje efektívnosť inštalácie a údržby zariadenia.
Stručne povedané, integrácia NL typu Nylon Gear Flexible Coupling do prevodového systému poskytuje stabilnejšiu a efektívnejšiu prevádzkovú podporu pre zariadenia. Najmä v oblasti presnej výroby, kde sa vyžaduje vysoko presný prevod, táto vysokovýkonná spojka s nylonovým puzdrom – so svojím optimalizovaným dizajnom – plne spĺňa viaceré požiadavky na presnosť prevodovky, spoľahlivosť a prispôsobivosť a slúži ako životne dôležitá súčasť pri zvyšovaní celkového výkonu zariadenia.
Nylonová ohybná spojka s ozubeným kolesom typu NL funguje ako súčasť prevodovky pre všetky druhy mechanických nastavení, ktoré vyžadujú stabilný prenos sily. To, čím vyniká, je nylonová objímka – ohýba sa presne, aby absorbovala vibrácie a opravila malé nesúososti hriadeľa, takže je ideálna pre akékoľvek použitie ozubenej spojky, kde potrebujete spoľahlivý krútiaci moment bez príliš rýchleho opotrebovania dielov.
Vezmite si napríklad priemyselné stroje. Táto spojka je skvelá na pripojenie motorov k čerpadlám alebo kompresorom. Keď tieto stroje bežia, často posielajú do systému náhle rázové zaťaženie, ale NL typ Nylon Gear Flexible Coupling tento náraz zmierňuje a pomáha celej zostave trvať dlhšie. A na dopravníkových linkách – viete, na tých, ktoré v továrňach premiestňujú materiál nonstop – táto priemyselná nylonová objímková spojka zabezpečuje hladký chod aj pri zmene zaťaženia. Na rozdiel od starých pevných spojok, ktoré sa často pokazia, toto znižuje prestoje a peniaze, ktoré miniete na opravu vecí.
Automobilový a dopravný svet to tiež používa, najmä pre hnacie hriadele a diely riadenia. Autá a nákladné autá sa pri pohybe musia vysporiadať s mnohými točivými vibráciami, ale táto flexibilná prevodová spojka pre automobilové pohony ich absorbuje. Vďaka tomu vozidlo nielen lepšie jazdí, ale je aj bezpečnejšie – žiadne čudné otrasy, ktoré zhadzujú riadenie alebo opotrebúvajú hnaciu sústavu.
Pokiaľ ide o použitie presných ozubených spojok, ako sú CNC stroje alebo priemyselné roboty, táto spojka skutočne žiari. Tieto stroje sa točia rýchlo a potrebujú super presný pohyb, ale aj malé odchýlky hriadeľa (ako sú uhly alebo paralelné posuny) môžu veci pokaziť. Nylonová pružná spojka typu NL rieši tieto problémy a zároveň drží krok s vysokými rýchlosťami. To je dôvod, prečo toľko spoločností, ktoré budujú automatizované montážne linky, hľadá túto nylonovú ozubenú spojku pre presné CNC zariadenia, keď potrebujú vlastné nastavenia.
Nájdete ho aj v systémoch HVAC a úpravní vody. Na týchto miestach sa často používajú ventilátory a dúchadlá, a ak tieto časti príliš vibrujú, sú hlučné a pokazia sa. Táto flexibilná ozubená spojka tlmiaca vibrácie pre ventilátory HVAC udržuje nízky hluk a stabilný chod zariadenia – žiadne neočakávané prestávky v procesoch vykurovania/chladenia alebo úpravy vody.
Celkovo vzaté, NL Type Nylon Gear Flexible Coupling je cenovo výhodná voľba pre takmer každé odvetvie. Je to ťažké, ľahko sa inštaluje a zvládne svoju prácu. Ak hľadáte spoľahlivého dodávateľa priemyselných ozubených spojok, Raydafon vám môže poskytnúť vlastné možnosti, ktoré presne vyhovujú vašim potrebám – takže získate najlepší výkon a diel s dlhou životnosťou.
⭐⭐⭐⭐⭐ Wang Lei, strojný inžinier, Guangzhou Machinery Co., Ltd.
Nylonovú ohybnú spojku NL typu Nylon Gear Flex od spoločnosti Raydafon máme na našich montážnych linkách už nejaký čas a je stabilná – oveľa spoľahlivejšia ako niektoré iné spojky, ktoré sme skúšali. Nylonový dizajn prevodu je tu výnimočný: krútiaci moment sa pohybuje hladko, bez trhavých prenosov a znižuje vibrácie natoľko, že skutočne spoznáte rozdiel v tom, ako stroje bežia.
Inštalácia bola tiež úplná hračka. V našom vybavení nemáme veľa miesta navyše, ale táto spojka sa perfektne hodí hneď po vybalení – nie je potrebné nič upravovať. Beží nepretržite a takmer neexistujú žiadne známky opotrebovania; táto trvanlivosť znamená, že nezastavujeme výrobu, aby sme ho opravili alebo vymieňali tak často. Celkovo vzaté, je to solídny, nákladovo efektívny výber, ktorý robí presne to, čo potrebujeme.
⭐⭐⭐⭐⭐ John Smith, riaditeľ závodu, Chicago Industrial Solutions, USA
V našom zariadení v Chicagu sme vymenili našu starú kovovú spojku za NL Type Nylon Gear od Raydafonu a zmena nastala vo dne v noci – bolo to cítiť, keď sme stroje spustili. Vibrácie, ktoré chrastili časti, sa uvoľnili? preč. Hlasné bzučanie zo starej spojky? Po takom stíšení je podlaha pokojnejšia. A prenos sily? Hladký, ako sa len dá, aj keď nakladáme s veľkým nákladom.
A čo viac, zvláda nesprávne zarovnanie oveľa lepšie ako ten kovový – už nie je potrebné ho každý týždeň vylepšovať, aby sa veci držali správne. Raydafon sa k nám tiež rýchlo dostal; dodávka prebehla presne podľa plánu a kvalita bola špičková – žiadne lacné diely alebo nekvalitná práca. Už som o tom povedal niekoľkým ďalším manažérom závodu; toto je druh produktu, o ktorom chcete informovať.
⭐⭐⭐⭐⭐ Anna Müller, vedúci údržby, Mníchov Engineering, Nemecko
Spojku Raydafon NL Type sme umiestnili do našich vysokorýchlostných strojov pred niekoľkými mesiacmi a pre náš tím to zmenilo hru. Nylonový materiál prevodovky je inteligentný – neopotrebováva sa tak rýchlo ako kov, takže diely nevymieňame tak často a je oveľa tichší. Môže to znieť málo, ale tichšia predajňa znamená menšiu únavu pre tím a menej rozptyľovania pri kontrole vybavenia.
Je dostatočne flexibilný na to, aby zvládol drobné posuny, ktoré prináša vysokorýchlostný beh, ale stále dostatočne pevný, aby odolal tlaku – žiadne ohýbanie alebo zlomenie. Inštalácia bola tiež jednoduchá; naši technici to mali nastavené za hodinu, žiadne zložité inštrukcie. Odkedy sme ho nainštalovali, mali sme oveľa menej zastavení stroja a všetko beží hladšie. Raydafon dokázal, že je dodávateľom, na ktorého sa môžeme spoľahnúť – žiadne prekvapenia, len dobré produkty.
⭐⭐⭐⭐⭐ Carlos Martínez, prevádzkový riaditeľ, Madrid Manufacturing Corp., Španielsko
Nylonová ohybná spojka Raydafon NL Type Nylon Gear je presne tým vysoko kvalitným produktom, ktorý sme hľadali. Pridali sme ho do našej výrobnej linky v nádeji, že znížime vibrácie a zvýšime efektivitu – a splnilo to v oboch smeroch, bez akýchkoľvek otázok. Nylonový výstroj mu dáva tú správnu mieru flexibility, aby veci fungovali hladko, ale neobetuje silu – dokonca ani vtedy, keď sa snažíme dodržať prísne termíny.
Je tiež kompaktný, čo je veľké plus pre naše nastavenie; nemáme veľa miesta navyše a táto spojka presne zapadne bez toho, aby preplnila ostatné časti. Používame ho už mesiace a nevyskytli sa žiadne problémy – žiadne poruchy, žiadne divné zvuky, iba konzistentný výkon. Medzi samotným produktom a skvelými službami, ktoré sme dostali od spoločnosti Raydafon, sme viac než spokojní. Toto je strážca.
Adresa
Priemyselná oblasť Luotuo, okres Zhenhai, mesto Ningbo, Čína
Tel


+86-574-87168065


Priemyselná oblasť Luotuo, okres Zhenhai, mesto Ningbo, Čína
Copyright © Raydafon Technology Group Co., Limited Všetky práva vyhradené.
Links | Sitemap | RSS | XML | Zásady ochrany osobných údajov |
