QR kód
Produkty
Kontaktuj nás


Fax
+86-574-87168065

E-mail

Adresa
Priemyselná oblasť Luotuo, okres Zhenhai, mesto Ningbo, Čína
Univerzálna spojka SWC-WF bez ohybnej príruby od spoločnosti Raydafon je vyrobená len pre prenos vysokého krútiaceho momentu v ťažkých strojoch – myslite na metalurgické zariadenia, žeriavy, banské systémy, všetky náročné nastavenia, ktoré si vyžadujú stály výkon. Má neflexibilný dizajn príruby, priemery otáčania od 160 mm do 640 mm a táto univerzálna spojka prírubového typu zvláda veľké uhlové nesúososti a nepretržité rýchlosti otáčania bez problémov, dokonca aj pri práci v super náročných podmienkach. Na jej výrobu používame vysokopevnostnú oceľ 35CrMo, takže perfektne odoláva intenzívnemu zaťaženiu – práve preto je to najlepšia voľba pre univerzálne spojky pre ťažké stroje a neohybné univerzálne spojky pre priemyselné aplikácie. Presná výroba spoločnosti Raydafon zaisťuje, že zakaždým poskytne solídny výkon, najmä pre odvetvia, ktoré nemôžu robiť kompromisy v oblasti konzistentného dodávania krútiaceho momentu.
Táto univerzálna spojka SWC-WF je vyrobená tak, aby vydržala, s pevným prírubovým spojením, ktoré uľahčuje inštaláciu v systémoch, ako sú pohony na stavbu lodí a valcovne – miesta, kde axiálny pohyb nie je príliš veľký. Prísne dodržiavame normy ISO 9001 a naša továreň so sídlom v Číne používa pokročilé obrábanie a prísne kontroly kvality na výrobu tejto odolnej prírubovej univerzálnej spojky. Dodáva sa v prispôsobiteľných veľkostiach s menovitým krútiacim momentom až do 1250 kN·m, takže sa hodí priamo do vlastných univerzálnych spojok pre metalurgické zariadenia a iné vysokovýkonné zostavy. Raydafon tiež ponúka riešenia na mieru za konkurencieschopné ceny, čím pomáha skrátiť prestoje a zvýšiť spoľahlivosť vášho zariadenia.
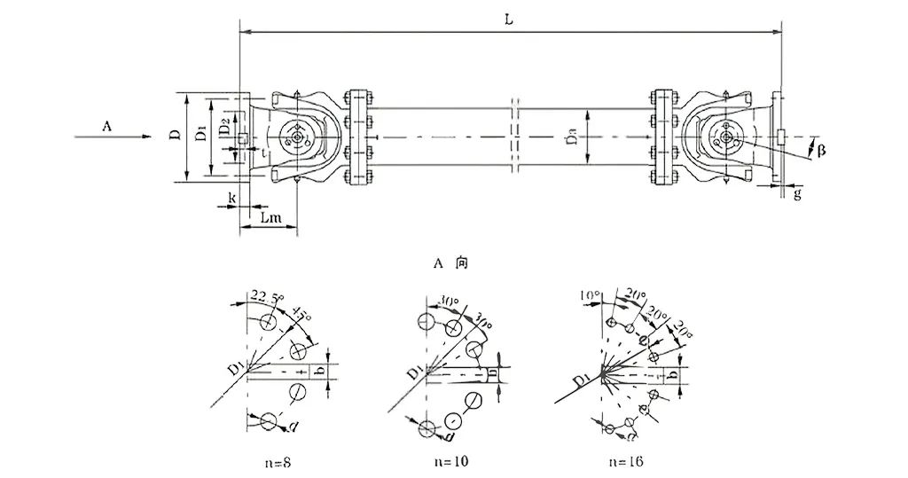
| Nie | Priemer otáčania D mm | Nominálny krútiaci moment Tn KN·m | Uhol ohybu osí β (°) | Opotrebovaný krútiaci moment Tf KN·m | Veľkosť (mm) | Rotačná zotrvačnosť kg.m2 | Hmotnosť (kg) | |||||||||||
| Lmin | D1 (js11) | D2 (H7) | D3 | Lm | n-d | k | t | b (h9) | g | Lmin | Zvýšiť 100 mm | Lmin | Zvýšiť 100 mm | |||||
| SWC285WF | 285 | 90 | 45 | ≤15 | 810 | 245 | 170 | 194 | 160 | 8-21 | 27 | 7 | 40 | 15 | 2.664 | 0.051 | 220 | 6.3 |
| SWC315WF | 315 | 125 | 63 | 915 | 280 | 185 | 219 | 180 | 10-23 | 32 | 8 | 40 | 15 | 4.469 | 0.0795 | 300 | 8.0 | |
| SWC350WF | 350 | 180 | 90 | 980 | 310 | 210 | 267 | 194 | 10-23 | 35 | 8 | 50 | 16 | 7.388 | 0.2219 | 412 | 15.0 | |
| SWC390WF | 390 | 250 | 125 | 1100 | 345 | 235 | 267 | 215 | 10-25 | 40 | 8 | 70 | 18 | 13.184 | 0.2219 | 588 | 15.0 | |
| SWC440WF | 440 | 355 | 180 | 1290 | 390 | 255 | 325 | 260 | 16-28 | 42 | 10 | 80 | 20 | 23.250 | 0.4744 | 880 | 21.7 | |
| SWC490WF | 490 | 500 | 250 | 1360 | 435 | 275 | 325 | 270 | 16-31 | 47 | 12 | 90 | 22.5 | 40.750 | 0.4744 | 1173 | 21.7 | |
| SWC550WF | 550 | 710 | 355 | 1510 | 492 | 320 | 426 | 305 | 16-31 | 50 | 12 | 100 | 22.5 | 68.480 | 1.3570 | 1663 | 34.0 | |
| SWC620WF | 620 | 1000 | 500 | 1690 | 555 | 380 | 426 | 340 | 10-38 | 55 | 12 | 100 | 25 | 127.530 | 1.3570 | 2332 | 34.0 | |
* 1. Tf-pri striedavom zaťažení krútiaci moment, ktorý umožňuje podľa únavovej pevnosti.
* 2. Dĺžka inštalácie L, ktorá je podľa požiadavky.
Raydafon SWC-WF bez univerzálnej spojky typu flex príruby – nazývanej aj univerzálna spojka kardanového hriadeľa SWC – funguje na základnej mechanickej myšlienke: získava krútiaci moment z dvoch nekolineárnych hriadeľov tam, kam potrebuje, a zvláda aj nesúososť. Táto spojka univerzálneho kĺbu s vysokým krútiacim momentom využíva nastavenie krížových ložísk na spojenie prírub na oboch koncoch, takže aj keď sú hriadele posunuté až o 25 stupňov alebo majú axiálne/radiálne odchýlky, stále plynulo presúva rotačnú silu.
Srdcom toho, ako to funguje, je dizajn univerzálneho kĺbu – je tu krížový hriadeľ, ktorý funguje ako čap a umožňuje, aby sa každá príruba pohybovala samostatne. Týmto spôsobom prechádza krútiaci moment z hnacieho hriadeľa na hnaný hriadeľ efektívne a vyrovnáva uhlové nesúososti bez prílišného namáhania častí, ku ktorým je pripojený. Ak potrebujete spoľahlivú vysokovýkonnú spojku univerzálneho kĺbu pre operácie valcovne, táto tuhá, nepružná prírubová konštrukcia udržuje veci stabilné, čo je ideálne pre spojenia na krátke vzdialenosti v kompaktných zostavách ťažkých strojov.
Jeho funkcia vyniká tým, že nemá flexibilné časti ani rozširujúce prvky – to ho odlišuje od iných typov a robí ho skvelým pre miesta, kde je axiálny pohyb minimálny. Odolná spojka univerzálneho kĺbu SWC, ktorú používame pri zdvíhacích zariadeniach a zariadeniach na manipuláciu s materiálom, sa opiera o tento princíp, aby zostala vyvážená aj pri veľkom zaťažení; dosahuje účinnosť prenosu až 98,6 % a neplytvá veľa energiou. Táto priemyselná spojka univerzálneho kĺbu tiež znižuje vibrácie vďaka presnému pohybu ložísk, takže beží hladko aj vo vysoko namáhaných situáciách – rovnako ako systémy univerzálnych spojok ťažkých strojov, ktoré by ste videli pri náročných priemyselných prácach.
Navyše, vysokovýkonná univerzálna spojka Raydafon SWC má privarené príruby, aby bola pevnejšia – už sa nemusíte obávať uvoľnenia skrutiek a zvyšuje celkovú pevnosť o 30 % až 50 %. Ako efektívna univerzálna spojka pre prenos veľkého výkonu zvláda menovité krútiace momenty od 0,15 do 1 000 kN·m a má priemer otáčania od φ58 do φ620, čo z nej robí najlepšiu voľbu pre energeticky úsporné riešenia univerzálnej spojky v náročných priemyselných prevodovkách. A s hlukom udržiavaným medzi 30-40 dB(A) má táto nízkohlučná spojka univerzálneho kĺbu tichú prevádzku, čo je ideálne pre priemyselné miesta, kde je problémom hluk, a to všetko pri zachovaní vysokých štandardov spoľahlivosti.
Univerzálna spojka SWC spoločnosti Raydafon – často nazývaná spojka univerzálneho kĺbu kardanového hriadeľa SWC – nie je len bežnou súčasťou; je to nevyhnutnosť pre ťažké priemyselné zariadenia, ako sú valcovne, zdvíhacie stroje a všetky druhy ťažkých systémov ťažkých strojov. Ako spojka univerzálneho kĺbu s vysokým krútiacim momentom odvádza pevnú prácu a spája dva prevodové hriadele, ktoré nie sú dokonale zarovnané, čím zaisťuje, že sila bude prúdiť aj vtedy, keď sa pracovné podmienky zhoršia.
Povedzme si o jeho kľúčových špecifikáciách: priemer otáčania sa pohybuje od φ58 do φ620, nominálny krútiaci moment sa pohybuje od 0,15 do 1000 kN·m a uhol ohybu nie je väčší ako 25°.
Tento produkt skutočne zažiari v špecifických scenároch – napríklad keď potrebujete spoľahlivú vysokovýkonnú spojku univerzálneho kĺbu pre operácie valcovní alebo odolnú spojku univerzálneho kĺbu SWC v zdvíhacích zariadeniach a zariadeniach na manipuláciu s materiálom. V týchto prípadoch sa osvedčí tým, že udržiava prevádzku stabilnú, aj keď ide o ťažké bremená.
Univerzálna spojka SWC od Raydafonu nie je postavená len na funkčnosť – je navrhnutá s inteligentným dizajnom, aby obstála v priemyselnom použití a dlhodobo fungovala dobre. Poďme si rozobrať, čím vyniká jeho štruktúra.
Po prvé, má rozumnú a bezpečnú konfiguráciu: pre túto priemyselnú spojku univerzálneho kĺbu sme použili integrovanú konštrukciu vidlicovej hlavy, ktorá znižuje riziká, ako je uvoľnenie alebo zlomenie skrutiek. To samo o sebe zvyšuje jeho štrukturálnu integritu o 30% - 50%, takže funguje bezpečne a spoľahlivo. V porovnaní s bežnými spojkami vydrží dlhšie a zabráni bežným poruchám na vysoko namáhaných miestach – ako sú systémy univerzálnych kĺbov ťažkých strojov, ktoré vidíte pri náročných prácach.
Potom je tu jeho zvýšená nosnosť: táto vysokovýkonná univerzálna kĺbová spojka SWC je vyrobená tak, aby zvládla veľké hmotnosti, takže je nevyhnutná na miestach, ktoré vyžadujú špičkové riadenie zaťaženia, ako sú banské alebo stavebné stroje.
Poskytuje tiež vysokú účinnosť prenosu – dosahujúcu až 98,6 %. Ako efektívna univerzálna spojka na prenos veľkého výkonu znižuje spotrebu energie a náklady, ktoré s ňou súvisia. To je dôvod, prečo je to najlepšia voľba pre energeticky úsporné riešenia spojok s univerzálnym kĺbom vo vysokovýkonných priemyselných prevodovkách.
A beží hladko s nízkou hlučnosťou: prenos je stabilný a hluk sa zvyčajne pohybuje medzi 30 – 40 dB(A). Táto nízkohlučná spojka univerzálneho kĺbu zaisťuje, že prevádzka zostane tichá, čo je ideálne pre miesta, kde je problémom hluk – to všetko pri zachovaní spoľahlivosti na vysokej úrovni.
⭐⭐⭐⭐⭐ Chen Liang, výrobný inžinier, Zhejiang Machinery Co., Ltd.
Na jednu z našich výrobných liniek sme umiestnili univerzálnu spojku SWC-WF od Raydafonu bez ohybnej príruby a doteraz fungovala skvele. Štruktúra je jednoduchá, ale pevná – jej inštalácia bola hračka, žiadne zložité kroky. Po nastavení beží hladko, nie sú potrebné žiadne ďalšie úpravy. Aj keď je náklad ťažký, táto spojka zostáva spoľahlivá, čo znamená, že môžeme nechať stroje bežať dlhé hodiny bez toho, aby sme sa museli príliš obávať – určite nám dáva väčší pokoj.
⭐⭐⭐⭐⭐ Sun Mei, vedúci nákupu, Hebei Steel Co., Ltd.
Naša spoločnosť kúpila niekoľko univerzálnych spojok SWC-WF bez ohybnej príruby od spoločnosti Raydafon a po prvé, dodávka bola v správnom čase a balenie bolo tiež starostlivé – žiadne poškodenie. Čo pre mňa skutočne vyniká, je to, čo povedal tím z dielne: povedali mi, že spojky sa ľahko inštalujú a pri ich používaní sú naozaj pevné. Navyše v porovnaní s inými dodávateľmi je tu cena spravodlivá. Celkovo sme s týmto nákupom naozaj spokojní.
⭐⭐⭐⭐⭐ Guo Jun, manažér údržby, Liaoning Heavy Industry Group
Mojou úlohou je udržiavať naše stroje v chode a snažím sa skrátiť prestoje, ako sa len dá. Odkedy sme začali používať Raydafon SWC-WF bez univerzálnej spojky Flex Flange Type, všimol som si veľký rozdiel – menšie opotrebovanie dielu a oveľa menej problémov počas prevádzky. Dizajn je pevný a nevyžaduje si veľa údržby. To nám šetrí čas aj peniaze a ukázalo sa, že je to super spoľahlivá súčasť nášho vybavenia.
Raydafon je kľúčovou dcérskou spoločnosťou EVER-POWER Group Co., Ltd. – nie sme len dodávateľ, ale aj poskytovateľ vysokokvalitných prevodových komponentov a priemyselných riešení a veľa sa zameriavame na inovatívne produkty, ako je kardanová spojka kardanového hriadeľa SWC. Odkedy sme začali, boli sme o napredovaní technológií a raste na globálnych trhoch; nezastavili sme sa pri predaji jednotlivých komponentov – teraz vytvárame kompletné systémové riešenia, ktoré dokonale vyhovujú potrebám poľnohospodárstva a ťažkého priemyslu. Naše know-how v oblasti hnacích hriadeľov a prevodových produktov znamená, že klienti, ktorí potrebujú spoľahlivú vysokovýkonnú univerzálnu spojku pre operácie valcovní (a iné náročné úlohy), sa na nás môžu spoľahnúť ako na solídneho partnera.
V Raydafon vyrábame širokú škálu produktov: prevodovky, hnacie hriadele, hydraulické valce, remenice a dokonca aj pokročilé obrábacie stroje, ako sú CNC sústruhy a frézky. Naše riešenia spojok univerzálneho kĺbu s vysokým krútiacim momentom – vezmite si napríklad sériu SWC – sú skonštruované tak, aby zvládli prísne požiadavky priemyselných odvetví, ktoré potrebujú trvanlivú spojku univerzálneho kĺbu SWC v zdvíhacích zariadeniach a zariadeniach na manipuláciu s materiálom. Máme aj pokročilé zariadenia: CNC dielne, stroje na brúsenie a tepelné spracovanie, 3D meracie nástroje – všetko v súlade s normami ISO9001/TS16949, takže každá priemyselná spojka univerzálneho kĺbu, ktorú vyrábame, je špičková a presná.
Predávame 80 % našich produktov v zámorí, na trhy ako USA, Nemecko, Japonsko, Taliansko, Malajzia, Austrália a Stredný východ. A máme silnú sieť na miestach ako Čína, Južná Kórea, Spojené kráľovstvo, Singapur, USA a Španielsko, ktoré to podporujú. Tento globálny dosah nám umožňuje vytvárať riešenia na mieru, ako je napríklad vysokovýkonná univerzálna spojka SWC – navrhnutá pre systémy univerzálnych spojok ťažkých strojov, ktoré potrebujú zvládnuť veľké zaťaženie a majú dlhú životnosť.
Našou prioritou sú inovácie a spokojnosť zákazníkov. Ponúkame energeticky úsporné riešenia spojok s univerzálnym kĺbom, ktoré dosahujú účinnosť prenosu až 98,6 %, čím sa znižujú prevádzkové náklady pre vysokovýkonné zostavy. Či už potrebujete účinnú univerzálnu spojku na prenos veľkého výkonu alebo nízkohlučnú univerzálnu spojku pre miesta, kde záleží na hluku, naše produkty sa dodávajú s profesionálnym popredajným servisom – a my sme odhodlaní robiť veci správne. To je dôvod, prečo je Raydafon tou najlepšou voľbou pre všetky vaše prenosové potreby.
Adresa
Priemyselná oblasť Luotuo, okres Zhenhai, mesto Ningbo, Čína
Tel


+86-574-87168065


Priemyselná oblasť Luotuo, okres Zhenhai, mesto Ningbo, Čína
Copyright © Raydafon Technology Group Co., Limited Všetky práva vyhradené.
Links | Sitemap | RSS | XML | Zásady ochrany osobných údajov |
