QR kód
Produkty
Kontaktuj nás


Fax
+86-574-87168065

E-mail

Adresa
Priemyselná oblasť Luotuo, okres Zhenhai, mesto Ningbo, Čína
Univerzálna spojka SWC-BF Standard Flex Flange Type od Raydafonu je skonštruovaná tak, aby spoľahlivo prenášala krútiaci moment v ťažkých strojoch – napríklad valcovne, zariadenia na výrobu papiera, priemyselné pohony a všetky nastavenia, ktoré vyžadujú náročný výkon. Má flexibilný dizajn príruby s priemerom otáčania od 180 mm do 620 mm a táto štandardná flexibilná univerzálna spojka zvláda uhlové vychýlenie až do 15 stupňov plus krútiaci moment až 1250 kN·m. Dokonca aj v náročných pracovných prostrediach beží stabilne, bez výpadkov. Vyrábame ho s vysokopevnostnou oceľou 35CrMo a presnými ihlovými ložiskami, takže je ideálny ako univerzálne spojky pre priemyselné stroje a ohybné prírubové spojky pre ťažké zariadenia – silne posúva výkon a sotva si všimnete žiadne vibrácie.
Naša výroba v Číne sa riadi normami ISO 9001, takže univerzálna spojka SWC-BF vydrží dlho a odoláva korózii – a to všetko vďaka pochrómovanému krížovému hriadeľu. Prírubové pripojenie uľahčuje inštaláciu, čo je veľká pomoc v oblastiach, ako je hutníctvo, baníctvo a stavba lodí – na miestach, kde potrebujete miernu axiálnu flexibilitu. Môžeme prispôsobiť aj jeho veľkosť a krútiaci moment, takže táto odolná flexibilná univerzálna spojka funguje skvele ako univerzálne spojky na mieru pre valcovne a iné priemyselné potreby. A cena je konkurencieschopná, žiadne predražovanie. Know-how spoločnosti Raydafon znamená, že strávite menej času údržbou a vaše zariadenie zostane spoľahlivejšie – na čo sa operátori na celom svete môžu spoľahnúť.
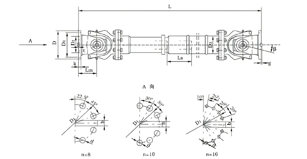
| Nie | Priemer otáčania D mm | Nominálny krútiaci moment Tn KN·m | Uhol ohybu osí β (°) | Opotrebovaný krútiaci moment Tf KN·m | Flexibilné množstvo Ls mm | Veľkosť (mm) | Rotačná zotrvačnosť kg.m2 | Hmotnosť (kg) | |||||||||||
| Lmin | D1 (js11) | D2 (H7) | D3 | Lm | n-d | k | t | b (h9) | g | Lmin | Zvýšiť 100 mm | Lmin | Zvýšiť 100 mm | ||||||
| SWC180BF | 180 | 12.5 | 6.3 | ≤25 | 100 | 810 | 155 | 105 | 114 | 110 | 8-17 | 17 | 5 | -1.455 | - | 0.27 | 0.0070 | 80 | 2.8 |
| SWC225BF | 225 | 40 | 20 | ≤15 | 140 | 920 | 196 | 135 | 152 | 120 | 8-17 | 20 | 5 | 32 | 9 | 0.79 | 0.0234 | 138 | 4.9 |
| SWC250BF | 250 | 63 | 31.5 | 1035 | 218 | 150 | 168 | 140 | 8-19 | 25 | 6 | 40 | 12.5 | 1.46 | 0.0277 | 196 | 5.3 | ||
| SWC285BF | 285 | 90 | 45 | 1190 | 245 | 170 | 194 | 160 | 8-21 | 27 | 7 | 40 | 15 | 2.87 | 0.0510 | 295 | 6.3 | ||
| SWC315BF | 315 | 125 | 63 | 1315 | 280 | 185 | 219 | 180 | 10-23 | 32 | 8 | 40 | 15 | 5.09 | 0.0795 | 428 | 8.0 | ||
| SWC350BF | 350 | 180 | 90 | 150 | 1410 | 310 | 210 | 267 | 194 | 10-23 | 35 | 8 | 50 | 16 | 9.20 | 0.2219 | 632 | 15.0 | |
| SWC390BF | 390 | 250 | 125 | 170 | 1590 | 345 | 235 | 267 | 215 | 10-25 | 40 | 8 | 70 | 18 | 16.62 | 0.2219 | 817 | 15.0 | |
| SWC440BF | 440 | 355 | 180 | 190 | 1875 | 390 | 255 | 325 | 260 | 16-28 | 42 | 10 | 80 | 20 | 28.24 | 0.4744 | 1290 | 21.7 | |
| SWC490BF | 490 | 500 | 250 | 190 | 1985 | 435 | 275 | 325 | 270 | 16-31 | 47 | 12 | 90 | 22.5 | 46.33 | 0.4744 | 1631 | 21.7 | |
| SWC550BF | 550 | 710 | 355 | 240 | 2300 | 492 | 320 | 426 | 305 | 16-31 | 50 | 12 | 100 | 22.5 | 86.98 | 1.3570 | 2567 | 34.0 | |
| SWC620BF | 620 | 1000 | 500 | 240 | 2500 | 555 | 380 | 426 | 340 | 10-38 | 55 | 12 | 100 | 25 | 147.50 | 1.3570 | 3267 | 34.0 | |
Univerzálne spojky - tiež nazývané spojky univerzálnych kĺbov - sú mechanické časti, ktoré pohybujú krútiacim momentom a rotačným pohybom medzi dvoma hriadeľmi, ktoré nemusia byť dokonale zarovnané. Zvládajú uhlové, axiálne a radiálne nesúososti, a to všetko pri zachovaní účinnosti prenosu energie v rôznych priemyselných použitiach. V spoločnosti Raydafon je naša séria univerzálnych kĺbových spojok kardanového hriadeľa SWC ukážkovým príkladom špičkového inžinierstva, ktoré ponúka riešenia spojok s univerzálnym kĺbom s vysokým krútiacim momentom vyrobené len pre miesta s vysokým zaťažením, ako sú valcovne a zdvíhacie stroje.
Rozoberme hlavné typy univerzálnych kĺbových spojok:
Prvým je jednoduchý univerzálny kĺb. Má jeden krížový čap spájajúci dve strmene, ktorý umožňuje hriadeľom mať uhlové vychýlenie až do 45 stupňov. Funguje to dobre pre nastavenia s miernym posunom, hoci to môže spôsobiť zmeny rýchlosti. Spoľahlivá vysokovýkonná univerzálna spojka Raydafon pre operácie valcovní často používa dizajn s jedným spojom v kompaktných zostavách, takže skvele drží aj pri veľkom zaťažení.
Potom je tu dvojitý univerzálny kĺb. Má dva samostatné kĺby spojené dohromady, čo zvláda väčšie nesúososti a udržuje rýchlosť prenosu takmer konštantnú - ideálne pre zložité nastavenia hriadeľa. Keď potrebujete odolnú SWC spojku univerzálneho kĺbu v zdvíhacích zariadeniach a zariadeniach na manipuláciu s materiálom, modely Raydafon s dvojitým kĺbom zvyšujú stabilitu a znižujú vibrácie vo vysoko namáhaných priemyselných systémoch spojok univerzálnych kĺbov.
Ďalším je teleskopický alebo rozšíriteľný univerzálny kĺb. Má drážky alebo posuvné časti, ktoré vám umožňujú nastaviť dĺžku a zároveň kompenzovať vychýlenie, čo funguje pri axiálnych pohyboch v dynamických nastaveniach. Vysokovýkonná univerzálna kĺbová spojka Raydafon SWC obsahuje teleskopické možnosti – fungujú ako efektívna univerzálna spojka na prenos veľkého výkonu na miestach, ako sú bane alebo staveniská, kde potrebujete flexibilitu dĺžky hriadeľa.
Existujú aj typy pevných, vŕtaných alebo drážkovaných nábojov. Líšia sa tým, ako sa spájajú: plné náboje nemajú žiadne otvory, vŕtané náboje majú okrúhle, šesťhranné alebo štvorcové otvory a drážkované náboje majú drážky pre pevné uchytenie. Pre energeticky úsporné riešenia univerzálnych kĺbových spojok Raydafon ponúka drážkované konštrukcie v našej zostave nízkohlučných univerzálnych kĺbových spojok – optimalizujú dodávanie krútiaceho momentu a udržujú hluk na úrovni 30-40 dB(A) v citlivých priemyselných miestach.
Univerzálne spojky Raydafon, vrátane série SWC, sú vyrobené s integrovaným dizajnom hlavy vidlice – už žiadne problémy súvisiace so skrutkami, čo zvyšuje pevnosť o 30 % až 50 % a dosahuje účinnosť prenosu až 98,6 %. Vďaka týmto vlastnostiam sú naše produkty najlepšou voľbou pre profesionálov, ktorí potrebujú prispôsobené, vysokovýkonné riešenia.
Univerzálne spojky – ako hlavný príklad si vezmite univerzálnu spojku kardanového hriadeľa SWC od Raydafon – prinášajú veľké výhody pre priemyselné prevodové systémy. Efektívne presúvajú krútiaci moment medzi hriadeľmi, ktoré nie sú zarovnané, zvládajú všetky druhy odchýlok a sú nevyhnutnosťou na udržanie hladkého chodu operácií v náročných prostrediach – ako sú tie, ktoré vyžadujú riešenia spojok univerzálnych kĺbov s vysokým krútiacim momentom.
Poďme sa ponoriť do ich hlavných výhod: Po prvé, sú skvelé na kompenzáciu nesprávneho zarovnania. Univerzálne spojky zvládajú uhlové, axiálne a radiálne nesúososti až do 25 stupňov, čo z nich robí spoľahlivú vysokovýkonnú spojku s univerzálnym kĺbom pre operácie valcovní. Robia to bez prílišného mechanického namáhania alebo vibrácií, takže vaše stroje zostávajú chránené.
Potom je tu ich odolná odolnosť a dlhá životnosť. Tieto spojky vyrábame s integrovanými konštrukciami vidlicových hláv a vysokopevnostnými materiálmi, čo znižuje riziká, ako je uvoľnenie alebo zlomenie skrutiek, čím sa zvyšuje štrukturálna integrita o 30 % až 50 %. To je dôvod, prečo odolná spojka univerzálneho kĺbu SWC vo zdvíhacích zariadeniach a zariadeniach na manipuláciu s materiálom funguje tak dobre na dlhé úseky v drsných podmienkach; ďaleko prekoná tradičné modely.
Majú tiež špičkovú nosnosť a krútiaci moment. Priemyselná univerzálna spojka, navrhnutá tak, aby udržala veľké hmotnosti a prenášala menovité krútiace momenty od 0,15 do 1000 kN·m, žiari v systémoch univerzálnych spojok ťažkých strojov. V týchto konfiguráciách je konzistentný výkon pri extrémnom zaťažení buď zlom alebo rozbitím, a táto spojka vždy poskytuje.
Pokiaľ ide o účinnosť prenosu energie, je ťažké ich poraziť. Pevná univerzálna spojka SWC s účinnosťou až 98,6 % udržuje nízke straty energie. To z neho robí efektívnu univerzálnu spojku na prenos veľkého výkonu vo vysokovýkonných priemyselných aplikáciách a časom sa táto účinnosť pridáva k skutočným úsporám nákladov.
V neposlednom rade šetria energiu a majú tichý chod. Ako energeticky úsporné riešenia univerzálnych kĺbových spojov znižujú spotrebu elektrickej energie a fungujú len pri 30-40 dB(A). Táto univerzálna spojka s nízkou hlučnosťou je ideálna pre priemyselné miesta, kde je problémom hluk – získate všetku spoľahlivosť, ktorú potrebujete, bez hlasnej prevádzky.
Univerzálne spojky – väčšina ľudí ich nazýva spojky univerzálnych kĺbov – fungujú na jednoduchom, ale efektívnom mechanickom nápade: presúvajú krútiaci moment a rotačný pohyb medzi dvoma hriadeľmi, ktoré nie sú dokonale zarovnané, čím zvládajú uhlové, axiálne a radiálne nesúososti bez preskočenia. Vezmite si napríklad univerzálnu spojku kardanového hriadeľa Raydafon SWC – je to skvelá ukážka tohto princípu. Používa otočný čap v tvare kríža (často ho nazývame pavúk) na spojenie strmeňov na každom hriadeli, takže sila sa prenáša hladko aj v rušných priemyselných zariadeniach.
Srdcom toho, ako to funguje, je krížový čap: umožňuje otáčanie strmeňov nezávisle, čo umožňuje naklonenie hriadeľa až o 25 stupňov pri zachovaní konzistentného dodávania krútiaceho momentu. Táto spojka univerzálneho kĺbu s vysokým krútiacim momentom tiež udržiava zmeny rýchlosti otáčania na minime – najmä ak ide o dizajn s dvojitým kĺbom – takže je ideálna pre úlohy, ktoré vyžadujú spoľahlivú a vysokovýkonnú spojku univerzálneho kĺbu pre operácie valcovní. A so sériou SWC od Raydafonu sme pridali integrovanú konštrukciu vidlicovej hlavy, aby bol tento mechanizmus ešte lepší: zbavuje vás problémov, ako je uvoľnenie skrutiek, zvyšuje štrukturálnu pevnosť o 30 % až 50 % a pomáha mu vydržať dlhšie na miestach s vysokým namáhaním.
Tento princíp podporuje aj veľkú nosnosť. Spojka zvláda menovité krútiace momenty od 0,15 do 1 000 kN·m s priemerom otáčania medzi φ58 a φ620 – preto je odolná spojka univerzálneho kĺbu SWC v zdvíhacích zariadeniach a zariadeniach na manipuláciu s materiálom tak solídnou voľbou pre náročné operácie. Priemyselná univerzálna spojka navyše dosahuje účinnosť prenosu až 98,6 %, čím sa znižuje spotreba energie v systémoch spojok s univerzálnym kĺbom ťažkých strojov.
A čo viac, vysokovýkonná univerzálna spojka Raydafon SWC má vlastnosti, ktoré zodpovedajú princípu zamerania na plynulú prevádzku: udržuje prenos stabilný a hluk zostáva medzi 30-40 dB(A). To z neho robí efektívnu univerzálnu spojku na prenos veľkého výkonu a špičkové riešenie spojky univerzálneho spoja šetriace energiu pre vysokovýkonné priemyselné zariadenia. Celkovo vzaté, táto nízkohlučná spojka univerzálneho kĺbu udržuje veci potichu, takže funguje skvele na miestach, kde je problémom hluk – bez obetovania spoľahlivosti.
⭐⭐⭐⭐⭐ Li Jun, hlavný inžinier, Jiangsu Power Equipment Co., Ltd.
Už niekoľko mesiacov používame univerzálnu spojku SWC-BF Standard Flex Flange Type od Raydafonu a funguje skvele. To, čo najviac vyniká, je flexibilita tejto spojky – vďaka nej sú naše stroje spoľahlivejšie, najmä pokiaľ ide o kompenzáciu nesúosovosti hriadeľa. Inštalácia bola hladký proces, žiadne zložité kroky a kvalita zvaru tiež vyzerá solídne – určite nám dáva pokoj, že to vydrží. Za cenu je to naozaj dobrá hodnota a ak ste v odvetví ťažkého strojárstva, túto flexibilnú prírubovú univerzálnu spojku vám absolútne odporúčam.
⭐⭐⭐⭐⭐ John Davis, strojný inžinier, Manchester Engineering Ltd., Spojené kráľovstvo
V našom manchesterskom závode sme vymenili starú spojku za univerzálnu spojku Raydafon SWC-BF Standard Flex Flange Type a rozdiel bol hneď zrejmý. Táto univerzálna spojka prenáša energiu hladko a efektívne, aj keď ju prevádzkujeme vo vysoko namáhaných podmienkach – nikdy nepoľaví. Flexibilita spojená s pevným dizajnom udržuje naše stroje v chode bez problémov. Navyše, Raydafon nám doručil rýchlo a ich zákaznícky servis bol prvotriedny – vďaka tomu bol celý zážitok z nákupu oveľa lepší. Vrelo odporúčame túto spoľahlivú univerzálnu spojku s flexibilnou prírubou!
⭐⭐⭐⭐⭐ Matteo Rossi, prevádzkový manažér, Milan Industrial Solutions, Taliansko
Hľadali sme univerzálnu spojku, ktorá by dobre zvládala nesúososti, a tak sme našli univerzálnu spojku SWC-BF Standard Flex Flange Type od Raydafonu. Používame ho už niekoľko týždňov a môžem s istotou povedať, že kontroluje všetky naše políčka. Inštalácia bola jednoduchá, žiadne ďalšie problémy a aj keď sme ju dostali do náročných podmienok, drží. Kvalita je vynikajúca za cenu – určite je to inteligentná investícia do našich strojov. Som skutočne spokojný s produktom aj službou, ktorú nám Raydafon poskytol.
Raydafon nie je len výrobca – sme popredným dodávateľom špičkových prevodových komponentov a riešení priemyselných strojov a máme rozsiahle odborné znalosti v produktoch, ako je univerzálna spojka kardanového hriadeľa SWC. Začali sme s inováciami a kvalitou v našom jadre a postupom času sme našu zostavu rozšírili o prevodovky, hnacie hriadele, hydraulické valce, remenice a pokročilé obrábacie stroje – všetko skonštruované tak, aby spĺňalo náročné požiadavky poľnohospodárskeho a vysokovýkonného priemyslu. Naše riešenia spojok s univerzálnym kĺbom s vysokým krútiacim momentom sú vyrobené s opatrnosťou, aby sa zabezpečilo hladké prenášanie krútiaceho momentu a správne zvládnutie nesúosovosti – sú absolútnou nevyhnutnosťou pre klientov, ktorí potrebujú spoľahlivú a vysokovýkonnú spojku univerzálneho kĺbu pre operácie valcovní.
Naše výrobné zariadenia sú najmodernejšie: máme CNC dielne, zariadenia na brúsenie a tepelné spracovanie a 3D meracie systémy. Držíme sa prísnych noriem ako ISO9001/TS16949, takže každá priemyselná spojka univerzálneho spoja, ktorú vyrábame, je presná a vyrobená tak, aby vydržala. Vezmite si napríklad našu odolnú spojku univerzálneho kĺbu SWC v zdvíhacích zariadeniach a zariadeniach na manipuláciu s materiálom – je optimalizovaná pre miesta, ktoré vyžadujú veľkú nosnosť. A naša vysokovýkonná univerzálna spojka SWC? Rieši problémy v systémoch univerzálnych kĺbových spojok ťažkých strojov, kde nie je možné vyjednávať o stabilite v extrémnych podmienkach.
Máme veľký globálny dosah – 80 % našich produktov sa vyváža na trhy ako USA, Nemecko, Japonsko, Taliansko, Malajzia, Austrália a Blízky východ. Máme silnú sieť v Číne, Južnej Kórei, Spojenom kráľovstve, Singapure, USA a Španielsku, čo nám umožňuje vytvárať vlastné efektívne univerzálne spojky pre veľké možnosti prenosu energie. Sú prispôsobené špecifickým potrebám, ako sú naše energeticky úsporné riešenia spojok s univerzálnym kĺbom, ktoré dosahujú účinnosť prenosu až 98,6 %, čím sa znižuje spotreba energie vo vysokovýkonných zostavách.
Udržateľnosť a inovácie zamerané na klienta sú pre nás dôležité. Preto ponúkame možnosti univerzálnych spojok s nízkou hlučnosťou, ktoré udržujú hlučnosť medzi 30-40 dB(A) – ideálne pre priemyselné miesta, kde je hluk problémom. A všetko zálohujeme plnou popredajnou podporou. Náš záväzok robiť veci správne robí z Raydafonu spoľahlivého partnera v prenosovom priemysle, ktorý pomáha profesionálom získať najlepší výkon a spoľahlivosť z ich zariadení.
Adresa
Priemyselná oblasť Luotuo, okres Zhenhai, mesto Ningbo, Čína
Tel


+86-574-87168065


Priemyselná oblasť Luotuo, okres Zhenhai, mesto Ningbo, Čína
Copyright © Raydafon Technology Group Co., Limited Všetky práva vyhradené.
Links | Sitemap | RSS | XML | Zásady ochrany osobných údajov |
